|


RELAPPING AVAIABLE ON REQUEST
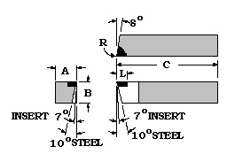
S.NO |
SHANK
A |
SHANK
B |
SHANK
C |
PCD/CBN
R |
PCD/CBN
L |
TT 100 |
6 |
6 |
52 |
0.8 |
3 |
TT 200 |
8 |
8 |
58 |
0.8 |
3 |
TT 300 |
9.5 |
9.5 |
64 |
0.8 |
3 |
TT 400 |
11 |
11 |
76 |
0.8 |
5.5 |
TT 500 |
12 |
12 |
88 |
0.8 |
5.5 |
TT 600 |
16 |
16 |
102 |
0.8 |
5.5 |
TT 700 |
19 |
19 |
112 |
0.8 |
5.5 |
When ordering please specify PCD or CBN.
|